水泥振动输送输送形式
发布时间:2022/7/7 9:28:20 浏览:次
水泥振动输送机:
水泥振动输送输送形式采用振动电机作为振动源、使物料被抛起同时向前做直线运动,达到输送的目的;结构形式分为敞开式、封闭式、输送形式可分为槽式输送或管式输送,电机位置可上、下或侧面装配;该机型结构简单、安装、维修方便、能耗低、无粉尘溢散、噪音等优点。广泛应用于冶金、煤炭、建材化工、食品等行业中的粉状及颗粒状物料输送。
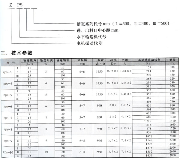
91麻豆国产福利在线观看振动给料机型号说明:
91麻豆国产福利在线观看振动输送机外形尺寸: